Саморез 4.2 х 32 лист металл наконечник-сверло (22732-0)
![]() ![]() Дополнительные материалы к загрузке: |
Код товара | 7473 |
|---|---|---|
| Описание | Для крепления конструкций и листовых материалов толщиной не более 2 мм к несущим поверхностям, а также для их соединения между собой. | |
| Артикул | без кода | |
| Характеристики | ||
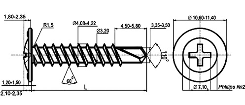
| Форма головки - Плоская головка\nТип шлица (система завинчивания) - Крест. шлиц PH\nЗащитное покрытие поверхности - Гальваническое/электролит. цинковое покрытие\nС заостренным кончиком - Да\nВид/марка материала - Прочее\nДлина, мм - 32\nМатериал - Сталь\nЗакаленный (-ая) - Нет\nДиаметр резьбы, мм - 4.2\nСамосверлящий - Да | ||
| Цена | 0 руб./шт | |
| ||
Это метиз из нержавеющей стали для крепления тонколистового металла к пластиковым, деревянным, тонкостенным металлопрофильным основаниям. Шлиц предназначен для заворачивания отверткой или битой типа PH (Phillips).\nПреимущества:\nНаличие бура позволяет обходиться без предварительного засверливания.\nКрепеж не ржавеет, подходит для внутренних и наружных работ.\nШирокая головка с пресс-шайбой обеспечивает качественный прижим и не проваливается в материал.\nМелкий шаг резьбы способствует надежному креплению.

